Produkty
Otočný spätný ventil
  • Otočný spätný ventilOtočný spätný ventil

Otočný spätný ventil

Jinqiu Valve vyrába kvalitný spätný ventil, automatický ventil známy aj ako jednosmerný ventil alebo spätný ventil. Jeho funkciou je zabrániť spätnému toku média v potrubí, čo umožňuje tekutine prúdiť jedným smerom. Účinne zabraňuje spätnému toku (spätnému toku), ktorý môže poškodiť potrubný systém. Ventil otvára alebo zatvára svoje otváracie a zatváracie komponenty prietokom a silou média, aby sa zabránilo spätnému toku média.
Jinquan Valve is a high-tech enterprise integrating valve product research, production, sales, and service. As an H44H and H44Y type PN16 ~ PN250 swing check valves supplier, our customized swing check valves are suitable for pressures of 1.6 ~ 25MPa, working temperatures of -29 ~ +550 ℃, and are applicable to pipeline conditions in the petroleum, chemical, pharmaceutical, fertilizer, power industries, and other environments. Applicable media include water, oil, steam, acidic media, and so on. We have been operating in the valve manufacturing field for over twenty years. With our experience, we have won high praise from the market for our reasonable prices, high quality, and attentive service.

1. Automatické otváranie a zatváranie: Spätný ventil sa otvára a zatvára automaticky na základe sily toku média. Keď médium prúdi v špecifikovanom smere, kotúč ventilu sa otvorí a ventil sa otvorí. Keď médium prestane prúdiť alebo spätne prúdiť, kotúč ventilu sa zatvorí vlastnou hmotnosťou alebo silou pružiny, čím sa zabráni spätnému toku. Nie je potrebná žiadna ručná obsluha, čím sa dosiahne automatické ovládanie.
2. Spoľahlivé tesnenie: Tesniace plochy kotúča ventilu a sedla sú zvyčajne vyrobené zo zváranej zliatiny na báze železa alebo tvrdej zliatiny na báze kobaltu stelitu, ktorá je odolná voči opotrebovaniu, teplu, korózii a má dobrú odolnosť proti poškriabaniu. To zaisťuje dlhodobý stabilný tesniaci účinok a účinne zabraňuje úniku média. 3. Prietokový kanál bez prekážok: Prietokový kanál je racionálne navrhnutý, výsledkom čoho je nízky odpor tekutiny. Médium môže hladko prechádzať cez spätný ventil, čím sa znižuje strata tlaku a spotreba energie.

Výkonnostné parametre

model H44H-16C~250 H44W-16P~250
Pracovný tlak (MPa) 1,6~25
správna teplota (℃) ≤425 ≤550
Vhodné médiá Voda, para, olej Slabé korozívne médium
materiál Karoséria, kapota, disk Uhlíková oceľ Chróm nikel-titánová nehrdzavejúca oceľ
Tesniaci povrch Zliatiny na báze železa na povrchovú úpravu uhlíkovej ocele Telo zapečatené

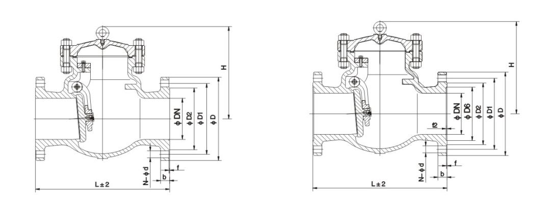
Hlavný tvar a rozmery pripojenia

Menovitý priemerDN Hlavné rozmery a rozmery pripojenia
L D D1 D2 b Z-d H
H44H-16C H44W-16C H44W-16P H44W-16R H44W-16I
25 160 115 85 65 16 4-14 100
32 180 135 100 78 16 4-18 105
40 200 145 100 85 16 4-18 115
50 230 160 125 100 16 4-18 135
65 290 180 145 120 18 4-18 142
80 310 195 160 135 20 8-18 165
100 350 215 180 155 20 8-18 180
125 400 245 210 185 22 8-18 210
150 480 280 240 210 24 8-23 233
200 500 335 295 265 26 12-23 304
250 550 405 355 320 30 12-25 348
300 650 460 410 375 30 12-25 390
350 750 520 470 435 34 16-25 430
400 850 580 525 485 36 16-30 468
H44H-25 H44W-25 H44W-25P H44W-25R H44W-25I
25 160 115 85 65 16 4-14 100
32 180 135 100 78 16 4-18 105
40 200 145 110 85 16 4-18 115
50 230 160 125 100 20 4-18 160
65 290 180 145 120 22 8-18 175
80 310 195 160 135 22 8-18 185
100 350 230 190 160 24 8-23 220
125 400 270 220 188 28 8-25 248
150 480 300 250 218 30 8-25 276
200 550 360 310 278 34 12-25 350
250 650 425 370 332 36 12-30 410
300 750 485 430 390 40 16-30 430
350 850 550 490 448 44 16-34 518
400 950 610 550 505 48 16-34 560

Obrázok štruktúry

Hot Tags: Swingový spätný ventil, Čína, prispôsobený, kvalitný, odolný, pokročilý, výrobca, dodávateľ, továreň, na sklade
Odoslať dopyt
Kontaktné informácie
  • Adresa

    č. 1, North 1st Road, Stainless Steel New Town, Lecong Steel World West Road, Shunde District, Foshan City, Guangdong Province, Čína

Ak máte otázky týkajúce sa posúvačov, guľových ventilov a spätných ventilov alebo cenníka, zanechajte nám svoj e-mail a my sa vám ozveme do 24 hodín.

X
Súbory cookie používame, aby sme vám poskytli lepší zážitok z prehliadania, analyzovali návštevnosť stránok a prispôsobili obsah. Používaním tejto stránky súhlasíte s naším používaním cookies. Zásady ochrany osobných údajov
Odmietnuť Prijať