Produkty
GB štandardný guľový ventil
  • GB štandardný guľový ventilGB štandardný guľový ventil

GB štandardný guľový ventil

Vysoko kvalitné a prispôsobené štandardné guľové ventily typu GB J41H, J41Y a J41W vyrába spoločnosť JQF Valve, profesionálny výrobca ventilov v Číne. Ich otváracia a zatváracia časť sú valcové kotúče ventilov a tesniaca plocha je buď plochá alebo kužeľová. Disky ventilov sa pohybujú lineárne pozdĺž stredovej čiary tekutiny. Štandardné guľové ventily GB sú vhodné len pre úplne otvorené alebo úplne uzavreté aplikácie a vo všeobecnosti sa nepoužívajú na reguláciu prietoku, ale reguláciu prietoku a škrtenie možno vykonávať podľa potrieb zákazníka.
Foshan Jinqiu Valve Co., Ltd. is a manufacturing factory integrating valve R&D, manufacturing, sales, and service. Our durable GB standard globe valves are specifically designed for oxygen pipelines, ensuring safe, stable, and efficient operation. Made from high-quality materials and undergoing rigorous degreasing and cleaning processes, these valves effectively prevent combustion risks and guarantee reliable sealing performance.

GB štandardný guľový ventil na sklade je vhodný pre tlakové rozsahy PN1,6-PN16 a veľkosti DN15-DN400, vždy sa používajú v metalurgickom, chemickom, medicinálnom plyne a energetickom priemysle.

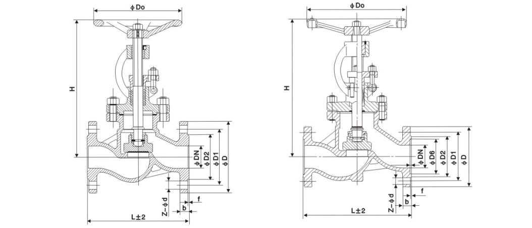
Štrukturálne vlastnosti

Neustále inovujeme a usilujeme sa o dokonalosť, pričom držíme krok s dobou s vysokokvalitnými guľovými ventilmi štandardu GB a vynikajúcim zákazníckym servisom! Aktívne zavádzame moderné vybavenie, podnikový manažment a personál technických služieb, pričom sa snažíme vybudovať kvalitnú domácu a medzinárodnú značku ventilov. Vítame nových a starých zákazníkov, ktorí navštevujú a kontrolujú naše zariadenia, spolupracujú pre vzájomný prospech a spoločne vytvárajú lepšiu budúcnosť!

Executive Standard

Špecifikácie dizajnu: GB / T 12235
Dĺžka konštrukcie: GB / T 12221
Prírubové pripojenie: JB / T 79
Test a kontrola: JB / T 9002
Identifikácia produktu: GB / T 12220
Špecifikácie dodávky: JB / T 7928

Vlastnosti

1. Zjednodušená a optimalizovaná štruktúra: Zjednodušený dizajn zlepšuje výrobu komponentov a efektivitu údržby zariadení o 30 %. 2. Okamžité ovládanie otvárania a zatvárania: Konštrukcia mikrozdvihovej štruktúry dosahuje rýchlosť odozvy otvárania a zatvárania 0,8 sekundy na cyklus. 3. Systém utesnenia s dlhou životnosťou: Technológia samomazného tesniaceho povrchu dosahuje ultranízky koeficient trenia; kompozitná tesniaca vrstva má životnosť proti starnutiu presahujúcu 50 000 cyklov otvorenia a zatvorenia.

Výkonnostné parametre

model J41H-16C-160C J41Y-16C~160C J41W-16P~160P
Pracovný tlak (MPa) 1,6 až 16,0
správna teplota (℃) ≤425 ≤ 150
Vhodné médiá Voda, para, olej Slabé korozívne médium
materiál Telo, kapota Uhlíková oceľ Chróm nikel-titánová nehrdzavejúca oceľ
Driek ventilu Chrómová nehrdzavejúca oceľ Chróm nikel-titánová nehrdzavejúca oceľ
Tesniaci povrch Povrchové úpravy zliatin na báze železa Návarová zliatina Materiál tela
plnivo Azbestový grafit, flexibilný grafit, PTFE

Hlavný tvar a veľkosť pripojenia

Menovitý priemer Hlavné rozmery a rozmery pripojenia
L D D1 D2 b Z-d H D0
J41H-16C
15 130 95 65 45 14-2 4-Φ14 170 120
20 150 105 75 55 14-2 4-Φ14 190 140
25 160 115 85 65 14-2 4-Φ14 205 160
32 180 135 100 78 16-2 4-Φ18 270 180
40 200 145 110 85 16-3 4-Φ18 310 200
50 230 160 125 100 16-3 4-Φ18 358 240
65 290 180 145 120 18-3 4-Φ18 373 240
80 310 195 160 135 20-3 8-Φ18 435 280
100 350 215 180 155 20-3 8-Φ18 500 300
125 400 245 210 185 22-3 8-Φ18 614 320
150 480 280 240 210 24-3 8-Φ23 674 360
200 600 335 295 265 26-3 12-Φ23 811 400
250 650 405 355 320 30-3 12-Φ25 969 450
300 750 460 410 375 30-3 12-Φ25 1145 580
350 850 520 470 435 34-4 16-Φ25 1280 640
400 980 580 525 485 36-4 16-Φ30 1452 640
J41H-25C
15 130 95 65 45 16-2 4-Φ14 170 120
20 150 105 75 55 16-2 4-Φ14 190 140
25 160 115 85 65 16-2 4-Φ14 205 160
32 180 135 100 78 18-2 4-Φ18 270 180
40 200 145 110 85 18-3 4-Φ18 310 200
50 230 160 125 100 20-3 4-Φ18 358 240
65 290 180 145 120 22-3 8-Φ18 373 240
80 310 195 160 135 22-3 8-Φ18 435 280
100 350 230 190 160 24-3 8-Φ23 500 300
125 400 270 220 188 28-3 8-Φ25 614 320
150 480 300 250 218 30-3 8-Φ25 674 360
200 600 360 310 278 34-3 12-Φ25 811 400
250 650 425 370 332 36-3 12-Φ30 969 450
300 750 485 430 390 40-4 16-Φ30 1145 580
350 850 550 490 448 44-4 16-Φ34 1280 640
400 980 610 550 505 48-4 16-Φ34 1452 640

Obrázok štruktúry

Hot Tags: Štandardný guľový ventil GB, Čína, prispôsobený, kvalitný, odolný, pokročilý, výrobca, dodávateľ, továreň, na sklade
Odoslať dopyt
Kontaktné informácie
  • Adresa

    č. 1, North 1st Road, Stainless Steel New Town, Lecong Steel World West Road, Shunde District, Foshan City, Guangdong Province, Čína

Ak máte otázky týkajúce sa posúvačov, guľových ventilov a spätných ventilov alebo cenníka, zanechajte nám svoj e-mail a my sa vám ozveme do 24 hodín.

X
Súbory cookie používame, aby sme vám poskytli lepší zážitok z prehliadania, analyzovali návštevnosť stránok a prispôsobili obsah. Používaním tejto stránky súhlasíte s naším používaním cookies. Zásady ochrany osobných údajov
Odmietnuť Prijať